НАЗНАЧЕНИЕ
Для установки на трубопроводах в качестве запорного устройства
ТЕХНИЧЕСКИЕ ХАРАКТЕРИСТИКИ
- Рабочее давление, МПа: до 4,0
- Рабочая среда: Вода, пар, масла, нефть, жидкие нефтепродукты, нефть, неагрессивные жидкие и газообразные среды
- Температура рабочей среды, С°: -40 до +425
- Материал корпуса: сталь 25л
- Управление: Ручное (маховик)
- Класс герметичности по ГОСТ 9544-93: А, В
- Тип присоединения: фланцевое по ГОСТ 12815-80 исп.1 ряд 2
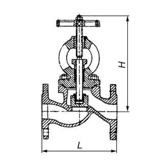
ГАБАРИТНЫЕ РАЗМЕРЫ И ВЕС
|
Диаметр |
Длина L, мм |
Высота H, мм |
Масса, кг |
|
15 |
130 |
195 |
4,80 |
|
20 |
150 |
215 |
5,77 |
|
25 |
160 |
240 |
6,12 |
|
32 |
180 |
250 |
8,00 |
|
40 |
200 |
285 |
15,20 |
|
50 |
230 |
300 |
18,00 |
|
65 |
290 |
345 |
33,70 |
|
80 |
310 |
350 |
36,40 |
|
100 |
350 |
410 |
48,60 |
|
125 |
400 |
470 |
71,50 |
|
150 |
480 |
495 |
105 |
|
200 |
600 |
600 |
165 |