ЗАТВОР ДИСКОВЫЙ ПОВОРОТНЫЙ ФЛАНЦЕВЫЙ С РУКОЯТКОЙ

Назначение

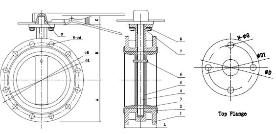
Затвор дисковый поворотный предназначен для установки на трубопроводах в качестве запорного устройства

Технические характеристики

  • Рабочая среда: вода, воздух, гликольные смеси и другие среды нейтральные к материалам изготовления
  • Температура рабочей среды, С°: -15 до +120
  • Рабочее давление, МПа: до 1,6*
  • Материал корпуса: высокопрочный чугун с защитным эпоксидным покрытием
  • Материал диска: никелированный чугун
  • Материал эластичного уплотнения: EPDM (Этилен-пропиленовый каучук)
  • Управление приводом: ручное
  • Класс герметичности по ГОСТ 9544: "А"
  • Рабочее положение затвора: любое, кроме механизмов управления вниз
  • Направление подачи рабочей среды: двустороннее
  • Присоединение к трубопроводу: фланцевое по ГОСТу 12815 * - фланцы засверлены по Ру 10

Габаритные размеры и вес

DN

Длина L, мм

Масса, кг

50

180

4,6

80

210

5,3

100

230

6,3

150

280

8,7

200

330

15